AiP4580 & AiP4558 Dual-Channel Operational Amplifiers
AiP4580
1、General Description
The AiP4580 is a high-speed, high-precision dual-channel operational amplifier.
It features low offset voltage, low noise, high unity-gain bandwidth, large output current, and low distortion. It is primarily used in applications such as audio preamplification, active filters, industrial measurement, and instrumentation for various linear amplification purposes.
2、 Features
● Operating Voltage(±2V~±18V)
● Low Input Noise Voltage (0.8μVrms typ.,RIAA,30KHzLPF)
● Low offset voltage(0.5mV typ,3mV max)
● Wide GBW 15MHz typ.
● Low Distortion 0.0005% typ.
● Slew Rate 5V/μs typ.
● Packing Form:SOP8/DIP8/MSOP8/SIP8
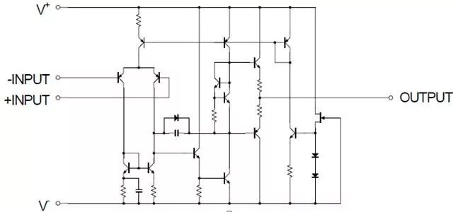
3、Block Diagram

4、Pin Description

AiP4558
1、General Description
The AiP4558 provides two independent, high-gain and internal frequency-compensated general-purpose operational amplifiers. It can operate with either a single power supply over a wide voltage range or dual power supplies.It is mainly used in voltage followers, DC gain components, industrial controls and all common operational amplifiers.
2、Features
1
● Wide common-mode and differential voltage range(±2V~±18V)
● Low offset voltage(0.5mV typ,6mV max)
● Unit gain bandwidth: 3MHz (typical)
● Low Input Noise Voltage:8 nV /√Hz,1KHz(typical)
● Slew Rate:1.7V/uS(typical)
● Package information: SOP8/DIP8/SIP8/SOP8(W)
3、Block Diagram

4、Pin Description

leave a message